Đặc tính kỹ thuật
| Vật liệu |
Đồng thau ,Inox ,Thép mạ kẽm |
|---|---|
| Ứng Dụng |
Bo mạch điện tử công nghiệp ,Cụm truyền động vi mô ,Dây chuyền tự động hóa. ,Thiết bị y sinh hạng nặng |
| Kích thước M3-M100 x 10-500mm |
M4 đến M12 |
| Đặc tính |
3 buồng chứa phoi hở ,Chiều dài lớn chịu lực nhổ rứt cao. ,Có lỗ lục giác chìm |
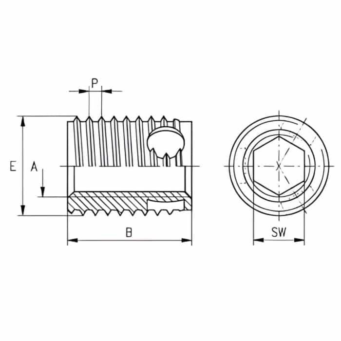
Mô tả sản phẩm:
Bản thiết kế dài của dòng SBSI (Works Standard 338 2) nhằm gia tăng tối đa diện tích bám ren chịu tải. Cấu trúc sở hữu 3 khoang chứa mạt phoi chuyên biệt giúp “khóa chặt” phoi kim loại sinh ra trong quá trình cắt gọt, loại trừ hoàn toàn nguy cơ phoi rơi rớt phá hủy hệ thống cơ điện nhạy cảm. Cơ cấu lỗ lục giác chìm hỗ trợ lắp ráp vận tốc cao, không cần dụng cụ kẹp ren phức tạp và tối ưu hóa quy trình tháo gỡ tái chế phế liệu sau vòng đời sản phẩm.
Ứng dụng tiêu biểu:
Các khối thiết bị điện tử đặc, cụm cơ khí chính xác trong phòng sạch cần mối ghép chịu tải trọng vặn xoắn lớn nhưng tuyệt đối không được phát sinh phoi tự do.
Phương pháp lắp đặt:
Tự khoét, phoi tự cuộn vào buồng chứa. Thao tác nhanh thông qua lỗ lục giác chìm (sử dụng súng vặn xoay thuận chiều kim đồng hồ, không cần thổi dọn phoi sau khi thi công).
SKU:
KKV-3382
Danh mục: Ốc Cấy & Ren Giả
Thẻ: Buồng chứa phoi, Chịu tải cao, Chống chập điện, Lắp ráp tự động., Linh kiện điện tử, Phòng sạch, Thao tác nhanh, Viễn thông
DATA SHEET

Đối Tác Tin Cậy Của Bạn
Ứng dụng & Đặc tính: Ống ren cấy Ensat®-SBSI được phát triển dựa trên hình học của dòng SBS (thiết kế các buồng chứa phoi đặc biệt chuyên dụng cho thiết bị điện tử, ngăn phoi kim loại rơi rớt gây đoản mạch) kết hợp thêm lỗ Lục giác chìm (Hexagonal socket).
Ưu điểm thiết kế: Lục giác chìm cho phép thời gian lắp ráp cực ngắn, chỉ yêu cầu các công cụ truyền động xoay theo chiều kim đồng hồ đơn giản. Ngoài ra, chốt Ensat® có thể được tháo rời dễ dàng trước khi tái chế vật liệu, giúp tiết kiệm chi phí.
| Mã sản phẩm | Ren trong (A) | Ren ngoài (E) | Bước ren (P) | Chiều dài (B) | Lục giác chìm (SW +0,1) | ĐK lỗ khoan (L -0,1) | Sâu lỗ tịt tối thiểu (T) |
|---|---|---|---|---|---|---|---|
| 337 200 040 ... | M 4 | 6,5 | 0,8 | 6 | 3,2 | 6,2 | 8 |
| 338 200 040 ... | M 4 | 6,5 | 0,8 | 8 | 3,2 | 6,2 | 10 |
| 337 200 050 ... | M 5 | 8 | 1 | 7 | 4,1 | 7,7 | 9 |
| 338 200 050 ... | M 5 | 8 | 1 | 10 | 4,1 | 7,7 | 13 |
| 337 200 060 ... | M 6 | 10 | 1,25 | 8 | 4,9 | 9,6 | 10 |
| 338 200 060 ... | M 6 | 10 | 1,25 | 12 | 4,9 | 9,6 | 15 |
| 337 200 080 ... | M 8 | 12 | 1,5 | 9 | 6,6 | 11,5 | 11 |
| 338 200 080 ... | M 8 | 12 | 1,5 | 14 | 6,6 | 11,5 | 17 |
| 337 200 100 ... | M 10 | 14 | 1,5 | 10 | 8,3 | 13,5 | 13 |
| 338 200 100 ... | M 10 | 14 | 1,5 | 18 | 8,3 | 13,5 | 22 |
| 337 200 120 ... | M 12 | 16 | 1,75 | 12 | 10,1 | 15,4 | 15 |
| 338 200 120 ... | M 12 | 16 | 1,75 | 22 | 10,1 | 15,4 | 26 |
Phân loại Thiết kế (Works Standard):
- Thiết kế ngắn (Short design): Mã 337 2 ...
- Thiết kế dài (Long design): Mã 338 2 ...
Tra cứu mã sản phẩm theo Vật liệu (3 số cuối):
- Thép tôi, mạ kẽm, thụ động xanh: ... 110
- Thép tôi, mạ kẽm, màng thụ động dày: ... 112
- Thép tôi, mạ kẽm-niken, thụ động trong suốt: ... 143
- [CHÚ Ý] Thép không gỉ 1.4305 (Chỉ áp dụng từ M4 đến M8): ... 500
- Đồng thau: ... 800
Ví dụ: Ensat®-SBSI thiết kế ngắn (337 2), ren M5, thép tôi mạ kẽm màng dày có mã là: 337 200 050.112
Dung sai: ISO 2768-m
Tiêu chuẩn ren:
- Ren trong A: Theo tiêu chuẩn ISO 6H.
- Ren ngoài E: Ren đặc biệt với chân ren phẳng (flattened thread root), theo tiêu chuẩn KKV.
HƯỚNG DẪN CHỌN SẢN PHẨM
GIẢI MÃ MÃ SẢN PHẨM
Mỗi sản phẩm Ensat® được định danh bằng một dãy số gồm 12 chữ số. Việc hiểu dãy số này giúp bạn chọn đúng chủng loại và vật liệu.
AAA . BBB . CCC . DDD
302 . 000 . 050 . 800
AAA (Dòng sản phẩm):
Xác định hình dáng và tính năng kỹ thuật của bạc ren như:
- 302: Ensat®-S (Dòng tiêu chuẩn, có rãnh cắt).
- 307: Ensat®-SB (Dòng ngắn, có lỗ cắt).
- 308: Ensat®-SB (Dòng dài, có lỗ cắt).
- 347/348: Ensat®-SBD (Dòng thành mỏng).
- 357/358: Ensat®-SBT (Dòng đáy kín).
BBB (Biến thể):
000 cho tiêu chuẩn, 200 cho loại có lục giác trong.
CCC (Kích thước):
Xác định đường kính ren trong của sản phẩm (ví dụ 050 là M5, 060 là M6).
DDD (Vật liệu):
- 110 là Thép mạ kẽm
- 500 là Inox
- 800 là Đồng thau
THÔNG TIN KỸ THUẬT
Hướng Dẫn Lắp Đặt Ensat® Trong Môi Trường Sản Xuất
Để đảm bảo độ bền liên kết và chống nới lỏng dưới tải trọng động, Ensat® phải được lắp đặt âm mặt từ 0,1 – 0,2 mm. Việc kiểm soát đường kính lỗ chờ (L), vát mép (N) và khoảng cách mép (W) dựa trên công thức thực nghiệm là điều kiện tiên quyết để tránh hư hỏng vật liệu và đảm bảo hiệu suất vận hành dài hạn.
1. Hướng Dẫn Lắp Đặt Chi Tiết
| Hạng mục | Chi tiết / Hướng dẫn thi công |
|---|---|
| Độ âm mặt | Ensat® nên được lắp đặt âm xuống khoảng 0,1 – 0,2 mm so với bề mặt chi tiết. |
| Khả năng chịu tải | Sau khi gia công hoàn thiện, ống ren cấy Ensat® có thể đưa vào chịu tải ngay lập tức mà không cần thời gian chờ. |
| Cơ chế chống lỏng | Nếu vật liệu chi tiết cho phép Ensat® lún xuống khi chịu tải, nó chỉ có thể di chuyển trục từ 0,1 đến 0,2 mm. Điều này giúp độ căng của liên kết vít được duy trì tối đa, ngăn chặn hiệu quả việc lỏng vít dưới tác động của tải trọng động. |
| Xử lý sự cố | Nếu gặp vấn đề khi gia công (ví dụ: mô-men xoắn khi bắt vít tăng mạnh bất thường), có thể linh hoạt chọn dữ liệu đường kính lỗ khoan ở cột cao hơn kế tiếp. Lưu ý: Nếu nghi ngờ về độ ổn định, bắt buộc phải thực hiện kiểm tra thử nghiệm trên phôi mẫu trước khi gia công hàng loạt. |
2. Thông Số Lỗ Chờ
Việc vát mép 60° tại lỗ khoan là cực kỳ quan trọng để ngăn hiện tượng trồi bề mặt và hỗ trợ cắt ren ban đầu.
| Hạng mục | Công thức / Hướng dẫn | Lưu ý |
|---|---|---|
| Đường kính vát mép (N) | N = (0,06 - 0,08) * E + E | E = Đường kính ngoài Ensat® |
| Khoảng cách mép (W) - Hợp kim nhẹ | W = 0,2 - 0,6 * E | Tùy thuộc vào độ đàn hồi vật liệu |
| Khoảng cách mép (W) - Gang | W = 0,3 - 0,5 * E | Đặc tính vật liệu giòn cần W lớn hơn |
| Độ sâu lỗ mù | T tối thiểu (Theo tiêu chuẩn) | Tham khảo cột (T) tại Bảng thông số |
SẢN PHẨM TƯƠNG TỰ
Ren Lắp Tự Khoét Đa Năng Ensat-SBKI Dài (có lỗ lục giác)
Mô tả sản phẩm:
Bản dài của dòng SBKI. Sản phẩm hội tụ 3 ưu điểm kỹ thuật cơ học: Đầu mũ (mặt bích) cung cấp điểm tỳ chống lực nhổ rứt cao, thân dài với 3 lỗ cắt trị được các vật liệu siêu cứng, và đặc biệt là lỗ lục giác chìm giúp rút ngắn tối đa thời gian thi công, dễ dàng trích xuất (tháo gỡ) linh kiện trước khi đưa vào quy trình tái chế nhằm tiết kiệm chi phí.
Ứng dụng tiêu biểu:
Dùng cho vật liệu dày, cứng cần mặt tiếp xúc rộng hoặc điểm đấu nối điện, đặc biệt lý tưởng cho các dây chuyền lắp ráp hàng loạt cần chu kỳ thao tác nhanh và có yêu cầu tái sử dụng/tái chế chi tiết.
Phương pháp lắp đặt:
Tự khoét thông qua lỗ lục giác chìm (sử dụng dụng cụ vặn đơn giản chỉ cần quay thuận chiều kim đồng hồ).
Ren Lắp Tự Khoét Ensat-SB Ngắn
Mô tả sản phẩm:
Thay thế rãnh cắt bằng 3 lỗ khoan cắt (cutting bores) giúp thành bạc dày hơn. Dòng ngắn (Short) được tối ưu hóa cho vật liệu có độ dày hạn chế (tấm mỏng).
Ứng dụng tiêu biểu:
Vật liệu mỏng nhưng cứng/giòn như Gang, Thép có độ cứng trung bình, Nhôm đúc.
Phương pháp lắp đặt:
Tự khoét vào lỗ khoan/đúc (Lắp qua ren trong).










