Đặc tính kỹ thuật
| Vật liệu |
Đồng thau ,Inox ,Thép mạ kẽm |
|---|---|
| Ứng Dụng |
Chi tiết máy dày ,Công nghiệp nặng. ,Gang xám ,Kết cấu chịu lực ,Khung gầm ,Máy móc hạng nặng |
| Kích thước M3-M100 x 10-500mm |
M3 đến M24 |
| Đặc tính |
3 lỗ cắt ,Chiều dài lớn hơn ,Chịu lực tốt |
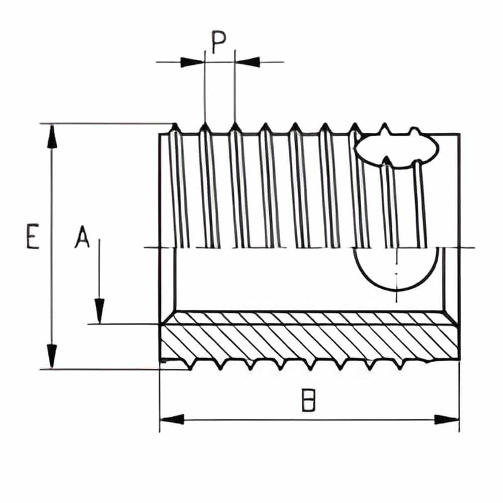
Mô tả sản phẩm:
Phiên bản dài của dòng SB với 3 lỗ cắt. Chiều dài lớn giúp tăng diện tích ma sát và số lượng bước ren chịu lực, tối đa hóa khả năng chịu lực nhổ (pull-out strength)
Ứng dụng tiêu biểu:
Kết cấu chịu tải trọng lớn, các chi tiết máy hạng nặng.
Phương pháp lắp đặt:
Tự khoét vào lỗ khoan/đúc.
SKU:
KKV-3080
Danh mục: Ốc Cấy & Ren Giả
Thẻ: Chi tiết máy dày, Công nghiệp nặng., Gang xám, Kết cấu chịu lực, Khung gầm, Máy móc hạng nặng
DATA SHEET

Đối Tác Tin Cậy Của Bạn
Ứng dụng: Ống ren cấy Ensat®-SB với cơ cấu lỗ cắt (cutting bores) là loại chốt tự taro giúp tạo ra các mối nối ren chống mài mòn, chịu rung động với khả năng chịu tải cao. Dòng sản phẩm này được thiết kế chuyên dụng để gia công trên các vật liệu có độ bền cắt cao hơn (higher shearing strength) so với dòng rãnh cắt thông thường.
| Mã sản phẩm | Ren trong (A) | Ren ngoài (E) | Bước ren (P) | Chiều dài (B) | ĐK lỗ khoan (L) | Chiều sâu lỗ tịt tối thiểu (T) |
|---|---|---|---|---|---|---|
| 307 000 030 ... | M 3 | 5 | 0,6 | 4 | 4,7 - 4,8 | 6 |
| 308 000 030 ... | M 3 | 5 | 0,6 | 6 | 4,7 - 4,8 | 8 |
| 307 000 035 ... | M 3,5 | 6 | 0,8 | 5 | 5,6 - 5,7 | 7 |
| 308 000 035 ... | M 3,5 | 6 | 0,8 | 8 | 5,6 - 5,7 | 10 |
| 307 000 040 ... | M 4 | 6,5 | 0,8 | 6 | 6,1 - 6,2 | 8 |
| 308 000 040 ... | M 4 | 6,5 | 0,8 | 8 | 6,1 - 6,2 | 10 |
| 307 000 050 ... | M 5 | 8 | 1 | 7 | 7,6 - 7,7 | 9 |
| 308 000 050 ... | M 5 | 8 | 1 | 10 | 7,6 - 7,7 | 13 |
| 307 000 060 ... | M 6 | 10 | 1,25 | 8 | 9,5 - 9,6 | 10 |
| 308 000 060 ... | M 6 | 10 | 1,25 | 12 | 9,5 - 9,6 | 15 |
| 307 000 080 ... | M 8 | 12 | 1,5 | 9 | 11,3 - 11,5 | 11 |
| 308 000 080 ... | M 8 | 12 | 1,5 | 14 | 11,3 - 11,5 | 17 |
| 307 000 100 ... | M 10 | 14 | 1,5 | 10 | 13,3 - 13,5 | 13 |
| 308 000 100 ... | M 10 | 14 | 1,5 | 18 | 13,3 - 13,5 | 22 |
| 307 000 120 ... | M 12 | 16 | 1,75 | 12 | 15,2 - 15,4 | 15 |
| 308 000 120 ... | M 12 | 16 | 1,75 | 22 | 15,2 - 15,4 | 26 |
| 307 000 140 ... | M 14 | 18 | 2 | 14 | 17,2 - 17,4 | 17 |
| 308 000 140 ... | M 14 | 18 | 2 | 24 | 17,2 - 17,4 | 28 |
| 307 000 160 ... | M 16 | 20 | 2 | 14 | 19,2 - 19,4 | 17 |
| 308 000 160 ... | M 16 | 20 | 2 | 24 | 19,2 - 19,4 | 28 |
| 307 000 180 ... | M 18 | 22 | 2 | 18 | 21,2 - 21,4 | 21 |
| 308 000 180 ... | M 18 | 22 | 2 | 24 | 21,2 - 21,4 | 28 |
| 308 000 200 ... | M 20 | 26 | 2 | 27 | 25,2 - 25,4 | 31 |
| 308 000 220 ... | M 22 | 26 | 2 | 30 | 25,2 - 25,4 | 34 |
| 308 000 240 ... | M 24 | 30 | 2 | 30 | 29,2 - 29,4 | 34 |
Phân loại Thiết kế (Works Standard):
- Thiết kế ngắn (Short design): Mã 307 ...
- Thiết kế dài (Long design): Mã 308 ...
Tra cứu mã sản phẩm theo Vật liệu (3 số cuối):
- Thép tôi, mạ kẽm, thụ động xanh: ... 110
- Thép tôi, mạ kẽm, màng thụ động dày: ... 112
- Thép tôi, mạ kẽm-niken, thụ động trong suốt: ... 143
- Thép không gỉ 1.4305: ... 500
- Đồng thau: ... 800
Ví dụ: Ensat®-SB thiết kế ngắn (307), ren M5, thép tôi mạ kẽm màng dày có mã là: 307 000 050.112
Dung sai: ISO 2768-m
Tiêu chuẩn ren:
- Ren trong A: Theo tiêu chuẩn ISO 6H (Có hỗ trợ ren UNC, UNF, Whitworth theo yêu cầu).
- Ren ngoài E: Ren đặc biệt với chân ren phẳng (flattened thread root), theo tiêu chuẩn KKV.
HƯỚNG DẪN CHỌN SẢN PHẨM
GIẢI MÃ MÃ SẢN PHẨM
Mỗi sản phẩm Ensat® được định danh bằng một dãy số gồm 12 chữ số. Việc hiểu dãy số này giúp bạn chọn đúng chủng loại và vật liệu.
AAA . BBB . CCC . DDD
302 . 000 . 050 . 800
AAA (Dòng sản phẩm):
Xác định hình dáng và tính năng kỹ thuật của bạc ren như:
- 302: Ensat®-S (Dòng tiêu chuẩn, có rãnh cắt).
- 307: Ensat®-SB (Dòng ngắn, có lỗ cắt).
- 308: Ensat®-SB (Dòng dài, có lỗ cắt).
- 347/348: Ensat®-SBD (Dòng thành mỏng).
- 357/358: Ensat®-SBT (Dòng đáy kín).
BBB (Biến thể):
000 cho tiêu chuẩn, 200 cho loại có lục giác trong.
CCC (Kích thước):
Xác định đường kính ren trong của sản phẩm (ví dụ 050 là M5, 060 là M6).
DDD (Vật liệu):
- 110 là Thép mạ kẽm
- 500 là Inox
- 800 là Đồng thau
THÔNG TIN KỸ THUẬT
Hướng Dẫn Lắp Đặt Ensat® Trong Môi Trường Sản Xuất
Để đảm bảo độ bền liên kết và chống nới lỏng dưới tải trọng động, Ensat® phải được lắp đặt âm mặt từ 0,1 – 0,2 mm. Việc kiểm soát đường kính lỗ chờ (L), vát mép (N) và khoảng cách mép (W) dựa trên công thức thực nghiệm là điều kiện tiên quyết để tránh hư hỏng vật liệu và đảm bảo hiệu suất vận hành dài hạn.
1. Hướng Dẫn Lắp Đặt Chi Tiết
| Hạng mục | Chi tiết / Hướng dẫn thi công |
|---|---|
| Độ âm mặt | Ensat® nên được lắp đặt âm xuống khoảng 0,1 – 0,2 mm so với bề mặt chi tiết. |
| Khả năng chịu tải | Sau khi gia công hoàn thiện, ống ren cấy Ensat® có thể đưa vào chịu tải ngay lập tức mà không cần thời gian chờ. |
| Cơ chế chống lỏng | Nếu vật liệu chi tiết cho phép Ensat® lún xuống khi chịu tải, nó chỉ có thể di chuyển trục từ 0,1 đến 0,2 mm. Điều này giúp độ căng của liên kết vít được duy trì tối đa, ngăn chặn hiệu quả việc lỏng vít dưới tác động của tải trọng động. |
| Xử lý sự cố | Nếu gặp vấn đề khi gia công (ví dụ: mô-men xoắn khi bắt vít tăng mạnh bất thường), có thể linh hoạt chọn dữ liệu đường kính lỗ khoan ở cột cao hơn kế tiếp. Lưu ý: Nếu nghi ngờ về độ ổn định, bắt buộc phải thực hiện kiểm tra thử nghiệm trên phôi mẫu trước khi gia công hàng loạt. |
2. Thông Số Lỗ Chờ
Việc vát mép 60° tại lỗ khoan là cực kỳ quan trọng để ngăn hiện tượng trồi bề mặt và hỗ trợ cắt ren ban đầu.
| Hạng mục | Công thức / Hướng dẫn | Lưu ý |
|---|---|---|
| Đường kính vát mép (N) | N = (0,06 - 0,08) * E + E | E = Đường kính ngoài Ensat® |
| Khoảng cách mép (W) - Hợp kim nhẹ | W = 0,2 - 0,6 * E | Tùy thuộc vào độ đàn hồi vật liệu |
| Khoảng cách mép (W) - Gang | W = 0,3 - 0,5 * E | Đặc tính vật liệu giòn cần W lớn hơn |
| Độ sâu lỗ mù | T tối thiểu (Theo tiêu chuẩn) | Tham khảo cột (T) tại Bảng thông số |
SẢN PHẨM TƯƠNG TỰ
Ren Lắp Tự Khoét Ensat-SI (có lỗ lục giác)
Mô tả sản phẩm:
Kế thừa tính năng tự cắt của dòng S nhưng tích hợp lỗ lục giác chìm bên trong lòng ren. Thiết kế này cho phép truyền mô-men xoắn trực tiếp, lắp đặt tốc độ cao và đơn giản hóa tool lắp đặt (chỉ cần quay chiều kim đồng hồ).
Ứng dụng tiêu biểu:
Dây chuyền lắp ráp tự động, sản xuất hàng loạt, thiết bị điện tử nơi cần thao tác nhanh. Dễ dàng tháo ra để tái chế.
Phương pháp lắp đặt:
Sử dụng đầu lục giác (Hex key).
Ren Lắp Tự Khoét Ensat-SK (có đầu)
Mô tả sản phẩm:
Làm điểm tiếp xúc điện (electrical contacts), kẹp giữ các tấm vật liệu mềm hoặc composite, ngăn ngừa hư hại bề mặt lỗ khoan.
Ứng dụng tiêu biểu:
Làm điểm tiếp xúc điện (electrical contacts), kẹp giữ các tấm vật liệu mềm hoặc composite, ngăn ngừa hư hại bề mặt lỗ khoan.
Phương pháp lắp đặt:
Tự khoét với đầu định vị.










