Đặc tính kỹ thuật
| Vật liệu |
Đồng thau ,Inox ,Thép mạ kẽm |
|---|---|
| Ứng Dụng |
Bảng mạch ,Composite ,Kết nối điện ,Kỹ thuật điện. ,Nhựa mềm ,Tiếp điểm điện ,Vỏ hộp điện |
| Kích thước M3-M100 x 10-500mm |
M4 đến M10 |
| Đặc tính |
Có đầu nổi ,Hỗ trợ tiếp điểm điện ,Tăng lực chịu kéo |
Mô tả sản phẩm:
Làm điểm tiếp xúc điện (electrical contacts), kẹp giữ các tấm vật liệu mềm hoặc composite, ngăn ngừa hư hại bề mặt lỗ khoan.
Ứng dụng tiêu biểu:
Làm điểm tiếp xúc điện (electrical contacts), kẹp giữ các tấm vật liệu mềm hoặc composite, ngăn ngừa hư hại bề mặt lỗ khoan.
Phương pháp lắp đặt:
Tự khoét với đầu định vị.
SKU:
KKV-3021
Danh mục: Ốc Cấy & Ren Giả
Thẻ: Bảng mạch, Composite, Kết nối điện, Kỹ thuật điện., Nhựa mềm, Tiếp điểm điện, Vỏ hộp điện
DATA SHEET

Đối Tác Tin Cậy Của Bạn
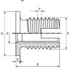
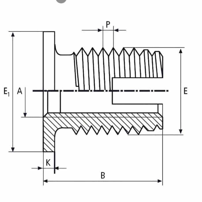
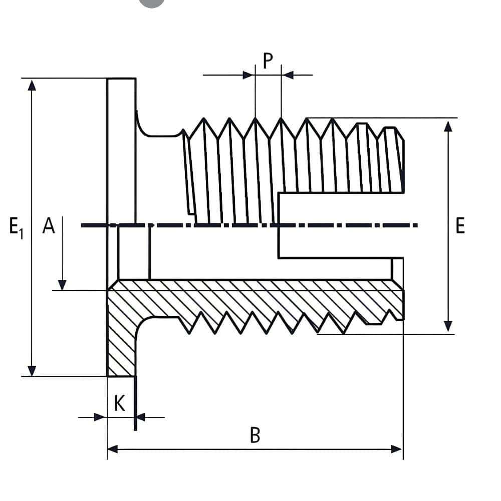
Ứng dụng: Ống ren cấy Ensat®-SK 302 1 với rãnh cắt và thiết kế có vành (đầu) là loại chốt tự taro giúp tạo ra các mối nối ren chống mài mòn, chịu rung động với khả năng chịu tải cao trong các vật liệu có độ bền cắt thấp (hợp kim nhẹ, gang, đồng thau, kim loại màu, nhựa, gỗ cứng). Phần vành đóng vai trò hỗ trợ các tiếp điểm điện khi ghép nối nhiều bộ phận cùng lúc; khi lực tác động ngược lên phần vành, lực kéo bứt (pull-through force) tăng lên đáng kể.
| Mã sản phẩm | Ren trong (A) | Ren ngoài (E) | Bước ren (P) | Đường kính đầu (E1) | Chiều cao đầu (K) | Chiều dài (B) | ĐK lỗ khoan (L) | Chiều sâu lỗ tịt tối thiểu (T) |
|---|---|---|---|---|---|---|---|---|
| 302 100 040 ... | M 4 | 6,5 | 0,75 | 9 | 1 | 9 | 6,1 - 6,2 | 10 |
| 302 100 050 ... | M 5 | 8 | 1 | 11 | 1 | 11 | 7,5 - 7,6 | 12 |
| 302 100 060 ... | M 6 | 10 | 1,5 | 13 | 1,5 | 15,5 | 9,2 - 9,4 | 16 |
| 302 100 080 ... | M 8 | 12 | 1,5 | 15 | 1,5 | 16,5 | 11,2 - 11,4 | 17 |
| 302 100 100 ... | M 10 | 14 | 1,5 | 17 | 1,5 | 19,5 | 13,2 - 13,4 | 20 |
Tra cứu mã sản phẩm theo Vật liệu (3 số cuối):
- Thép tôi thấm cacbon, mạ kẽm, thụ động xanh: ... 110
- Thép tôi thấm cacbon, mạ kẽm, màng thụ động dày: ... 112
- Thép tôi thấm cacbon, mạ kẽm-niken, thụ động trong suốt: ... 143
- Thép không gỉ 1.4305: ... 500
- Đồng thau: ... 800
Ví dụ: Ensat®-SK 302 1 ren M5, thép tôi mạ kẽm màng dày có mã là: 302 100 050.112
Dung sai: ISO 2768-m
Tiêu chuẩn ren: Ren trong A (ISO 6H) | Ren ngoài E (Tiêu chuẩn KKV) | Ren trong UNC, UNF, Whitworth theo yêu cầu.
HƯỚNG DẪN CHỌN SẢN PHẨM
GIẢI MÃ MÃ SẢN PHẨM
Mỗi sản phẩm Ensat® được định danh bằng một dãy số gồm 12 chữ số. Việc hiểu dãy số này giúp bạn chọn đúng chủng loại và vật liệu.
AAA . BBB . CCC . DDD
302 . 000 . 050 . 800
AAA (Dòng sản phẩm):
Xác định hình dáng và tính năng kỹ thuật của bạc ren như:
- 302: Ensat®-S (Dòng tiêu chuẩn, có rãnh cắt).
- 307: Ensat®-SB (Dòng ngắn, có lỗ cắt).
- 308: Ensat®-SB (Dòng dài, có lỗ cắt).
- 347/348: Ensat®-SBD (Dòng thành mỏng).
- 357/358: Ensat®-SBT (Dòng đáy kín).
BBB (Biến thể):
000 cho tiêu chuẩn, 200 cho loại có lục giác trong.
CCC (Kích thước):
Xác định đường kính ren trong của sản phẩm (ví dụ 050 là M5, 060 là M6).
DDD (Vật liệu):
- 110 là Thép mạ kẽm
- 500 là Inox
- 800 là Đồng thau
THÔNG TIN KỸ THUẬT
Hướng Dẫn Lắp Đặt Ensat® Trong Môi Trường Sản Xuất
Để đảm bảo độ bền liên kết và chống nới lỏng dưới tải trọng động, Ensat® phải được lắp đặt âm mặt từ 0,1 – 0,2 mm. Việc kiểm soát đường kính lỗ chờ (L), vát mép (N) và khoảng cách mép (W) dựa trên công thức thực nghiệm là điều kiện tiên quyết để tránh hư hỏng vật liệu và đảm bảo hiệu suất vận hành dài hạn.
1. Hướng Dẫn Lắp Đặt Chi Tiết
| Hạng mục | Chi tiết / Hướng dẫn thi công |
|---|---|
| Độ âm mặt | Ensat® nên được lắp đặt âm xuống khoảng 0,1 – 0,2 mm so với bề mặt chi tiết. |
| Khả năng chịu tải | Sau khi gia công hoàn thiện, ống ren cấy Ensat® có thể đưa vào chịu tải ngay lập tức mà không cần thời gian chờ. |
| Cơ chế chống lỏng | Nếu vật liệu chi tiết cho phép Ensat® lún xuống khi chịu tải, nó chỉ có thể di chuyển trục từ 0,1 đến 0,2 mm. Điều này giúp độ căng của liên kết vít được duy trì tối đa, ngăn chặn hiệu quả việc lỏng vít dưới tác động của tải trọng động. |
| Xử lý sự cố | Nếu gặp vấn đề khi gia công (ví dụ: mô-men xoắn khi bắt vít tăng mạnh bất thường), có thể linh hoạt chọn dữ liệu đường kính lỗ khoan ở cột cao hơn kế tiếp. Lưu ý: Nếu nghi ngờ về độ ổn định, bắt buộc phải thực hiện kiểm tra thử nghiệm trên phôi mẫu trước khi gia công hàng loạt. |
2. Thông Số Lỗ Chờ
Việc vát mép 60° tại lỗ khoan là cực kỳ quan trọng để ngăn hiện tượng trồi bề mặt và hỗ trợ cắt ren ban đầu.
| Hạng mục | Công thức / Hướng dẫn | Lưu ý |
|---|---|---|
| Đường kính vát mép (N) | N = (0,06 - 0,08) * E + E | E = Đường kính ngoài Ensat® |
| Khoảng cách mép (W) - Hợp kim nhẹ | W = 0,2 - 0,6 * E | Tùy thuộc vào độ đàn hồi vật liệu |
| Khoảng cách mép (W) - Gang | W = 0,3 - 0,5 * E | Đặc tính vật liệu giòn cần W lớn hơn |
| Độ sâu lỗ mù | T tối thiểu (Theo tiêu chuẩn) | Tham khảo cột (T) tại Bảng thông số |
SẢN PHẨM TƯƠNG TỰ
Ren Lắp Tự Khoét Đa Năng Ensat-SBKI Ngắn (có lỗ lục giác)
Mô tả sản phẩm:
Bản thiết kế ngắn của dòng SBKI (mã chuẩn 307 3). Sản phẩm hội tụ 3 ưu điểm kỹ thuật cơ học: Đầu mũ (mặt bích) cung cấp điểm tỳ giúp gia tăng lực chống nhổ rứt, thân có 3 lỗ cắt phân tán lực hiệu quả khi taro vào vật liệu cứng, và lỗ lục giác chìm giúp rút ngắn tối đa thời gian thi công. Thiết kế thân ngắn đặc biệt được tính toán riêng cho các vị trí lắp đặt có phôi nền mỏng. Cơ cấu lục giác cũng cho phép tháo gỡ linh kiện dễ dàng trước quy trình tái chế.
Ứng dụng tiêu biểu:
Dùng cho các vật liệu nền cứng, có bề dày mỏng hoặc không gian đáy hạn chế, nhưng vẫn cần mặt tiếp xúc rộng để hỗ trợ điểm đấu nối điện. Lý tưởng cho dây chuyền lắp ráp tự động hóa cao cần chu kỳ thao tác nhanh.
Phương pháp lắp đặt:
Tự khoét thông qua lỗ lục giác chìm (sử dụng các dụng cụ vặn truyền động đơn giản chỉ yêu cầu chuyển động xoay thuận chiều kim đồng hồ).
Ren Lắp Tự Khoét Ensat-SB Ngắn
Mô tả sản phẩm:
Thay thế rãnh cắt bằng 3 lỗ khoan cắt (cutting bores) giúp thành bạc dày hơn. Dòng ngắn (Short) được tối ưu hóa cho vật liệu có độ dày hạn chế (tấm mỏng).
Ứng dụng tiêu biểu:
Vật liệu mỏng nhưng cứng/giòn như Gang, Thép có độ cứng trung bình, Nhôm đúc.
Phương pháp lắp đặt:
Tự khoét vào lỗ khoan/đúc (Lắp qua ren trong).










