Đặc tính kỹ thuật
| Vật liệu |
Đồng thau ,Inox ,Thép mạ kẽm |
|---|---|
| Ứng Dụng |
Đầu nối điện ,Gang đúc ,Tiếp địa. ,Tủ điện công nghiệp ,Vỏ động cơ điện |
| Kích thước M3-M100 x 10-500mm |
M5 đến M10 |
| Đặc tính |
3 lỗ cắt ,Có đầu nổi ,Tiếp xúc điện |
Mô tả sản phẩm:
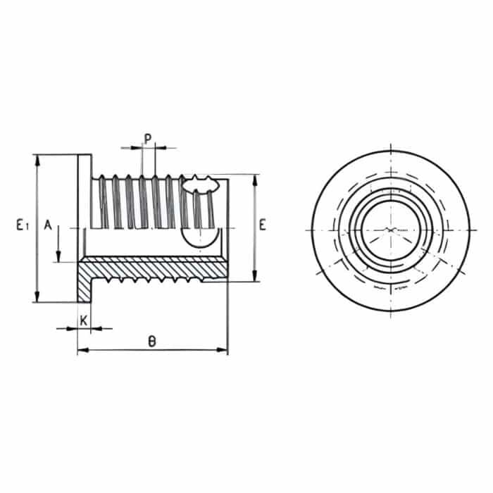
Dòng SB ngắn (3 lỗ cắt) tích hợp thêm đầu mũ. Vừa cắt được vật liệu cứng, vừa có mặt bích định vị và chịu lực kéo.
Ứng dụng tiêu biểu:
Kết nối điện trên gang/thép tấm mỏng, chống tuột ren.
Phương pháp lắp đặt:
Tự khoét với đầu định vị.
SKU:
KKV-3071
Danh mục: Ốc Cấy & Ren Giả
Thẻ: Đầu nối điện, Gang đúc, Tiếp địa., Tủ điện công nghiệp, Vỏ động cơ điện
DATA SHEET

Đối Tác Tin Cậy Của Bạn
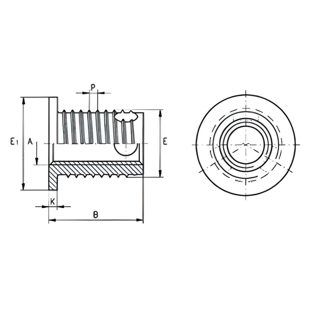
Ứng dụng & Đặc tính: Ống ren cấy Ensat®-SBK được phát triển dựa trên hình học của dòng Ensat®-SB (với lỗ cắt chịu tải cao) kết hợp với thiết kế có vành (head). Phần vành đóng vai trò làm giá đỡ cho các tiếp điểm điện khi cần xiết chặt nhiều bộ phận cùng lúc; khi lực căng tác động ngược lên phần vành, lực kéo bứt (pull-through force) được gia tăng đáng kể.
| Mã sản phẩm | Ren trong (A) | Ren ngoài (E) | Bước ren (P) | Đường kính đầu (E1) | Chiều cao đầu (K) | Chiều dài (B) | ĐK lỗ khoan (L) | Chiều sâu lỗ tịt tối thiểu (T) |
|---|---|---|---|---|---|---|---|---|
| 307 100 050 ... | M 5 | 8 | 1 | 11 | 1 | 8 | 7,6 - 7,7 | 9 |
| 308 100 050 ... | M 5 | 8 | 1 | 11 | 1 | 11 | 7,6 - 7,7 | 13 |
| 307 100 060 ... | M 6 | 10 | 1,25 | 13 | 1,5 | 9,5 | 9,5 - 9,6 | 10 |
| 308 100 060 ... | M 6 | 10 | 1,25 | 13 | 1,5 | 13,5 | 9,5 - 9,6 | 15 |
| 307 100 080 ... | M 8 | 12 | 1,5 | 15 | 1,5 | 10,5 | 11,3 - 11,5 | 11 |
| 308 100 080 ... | M 8 | 12 | 1,5 | 15 | 1,5 | 15,5 | 11,3 - 11,5 | 17 |
| 307 100 100 ... | M 10 | 14 | 1,5 | 17 | 1,5 | 11,5 | 13,3 - 13,5 | 13 |
| 308 100 100 ... | M 10 | 14 | 1,5 | 17 | 1,5 | 19,5 | 13,3 - 13,5 | 22 |
Phân loại Thiết kế (Works Standard):
- Thiết kế ngắn (Short design): Mã 307 1 ...
- Thiết kế dài (Long design): Mã 308 1 ...
Tra cứu mã sản phẩm theo Vật liệu (3 số cuối):
- Thép tôi, mạ kẽm, thụ động xanh: ... 110
- Thép tôi, mạ kẽm, màng thụ động dày: ... 112
- Thép tôi, mạ kẽm-niken, thụ động trong suốt: ... 143
- Đồng thau: ... 800
- [CHÚ Ý LỚN] Dòng SBK KHÔNG hỗ trợ phôi Thép không gỉ 1.4305 (đuôi 500) theo tiêu chuẩn nhà máy.
Ví dụ: Ensat®-SBK thiết kế ngắn (307 1), ren M5, thép tôi mạ kẽm màng dày có mã là: 307 100 050.112
Dung sai: ISO 2768-m
Tiêu chuẩn ren:
- Ren trong A: Theo tiêu chuẩn ISO 6H.
- Ren ngoài E: Ren đặc biệt với chân ren phẳng (flattened thread root), theo tiêu chuẩn KKV.
HƯỚNG DẪN CHỌN SẢN PHẨM
GIẢI MÃ MÃ SẢN PHẨM
Mỗi sản phẩm Ensat® được định danh bằng một dãy số gồm 12 chữ số. Việc hiểu dãy số này giúp bạn chọn đúng chủng loại và vật liệu.
AAA . BBB . CCC . DDD
302 . 000 . 050 . 800
AAA (Dòng sản phẩm):
Xác định hình dáng và tính năng kỹ thuật của bạc ren như:
- 302: Ensat®-S (Dòng tiêu chuẩn, có rãnh cắt).
- 307: Ensat®-SB (Dòng ngắn, có lỗ cắt).
- 308: Ensat®-SB (Dòng dài, có lỗ cắt).
- 347/348: Ensat®-SBD (Dòng thành mỏng).
- 357/358: Ensat®-SBT (Dòng đáy kín).
BBB (Biến thể):
000 cho tiêu chuẩn, 200 cho loại có lục giác trong.
CCC (Kích thước):
Xác định đường kính ren trong của sản phẩm (ví dụ 050 là M5, 060 là M6).
DDD (Vật liệu):
- 110 là Thép mạ kẽm
- 500 là Inox
- 800 là Đồng thau
THÔNG TIN KỸ THUẬT
Hướng Dẫn Lắp Đặt Ensat® Trong Môi Trường Sản Xuất
Để đảm bảo độ bền liên kết và chống nới lỏng dưới tải trọng động, Ensat® phải được lắp đặt âm mặt từ 0,1 – 0,2 mm. Việc kiểm soát đường kính lỗ chờ (L), vát mép (N) và khoảng cách mép (W) dựa trên công thức thực nghiệm là điều kiện tiên quyết để tránh hư hỏng vật liệu và đảm bảo hiệu suất vận hành dài hạn.
1. Hướng Dẫn Lắp Đặt Chi Tiết
| Hạng mục | Chi tiết / Hướng dẫn thi công |
|---|---|
| Độ âm mặt | Ensat® nên được lắp đặt âm xuống khoảng 0,1 – 0,2 mm so với bề mặt chi tiết. |
| Khả năng chịu tải | Sau khi gia công hoàn thiện, ống ren cấy Ensat® có thể đưa vào chịu tải ngay lập tức mà không cần thời gian chờ. |
| Cơ chế chống lỏng | Nếu vật liệu chi tiết cho phép Ensat® lún xuống khi chịu tải, nó chỉ có thể di chuyển trục từ 0,1 đến 0,2 mm. Điều này giúp độ căng của liên kết vít được duy trì tối đa, ngăn chặn hiệu quả việc lỏng vít dưới tác động của tải trọng động. |
| Xử lý sự cố | Nếu gặp vấn đề khi gia công (ví dụ: mô-men xoắn khi bắt vít tăng mạnh bất thường), có thể linh hoạt chọn dữ liệu đường kính lỗ khoan ở cột cao hơn kế tiếp. Lưu ý: Nếu nghi ngờ về độ ổn định, bắt buộc phải thực hiện kiểm tra thử nghiệm trên phôi mẫu trước khi gia công hàng loạt. |
2. Thông Số Lỗ Chờ
Việc vát mép 60° tại lỗ khoan là cực kỳ quan trọng để ngăn hiện tượng trồi bề mặt và hỗ trợ cắt ren ban đầu.
| Hạng mục | Công thức / Hướng dẫn | Lưu ý |
|---|---|---|
| Đường kính vát mép (N) | N = (0,06 - 0,08) * E + E | E = Đường kính ngoài Ensat® |
| Khoảng cách mép (W) - Hợp kim nhẹ | W = 0,2 - 0,6 * E | Tùy thuộc vào độ đàn hồi vật liệu |
| Khoảng cách mép (W) - Gang | W = 0,3 - 0,5 * E | Đặc tính vật liệu giòn cần W lớn hơn |
| Độ sâu lỗ mù | T tối thiểu (Theo tiêu chuẩn) | Tham khảo cột (T) tại Bảng thông số |
SẢN PHẨM TƯƠNG TỰ
Ren Lắp Tự Khoét Ensat-S
Mô tả sản phẩm:
Được thiết kế với rãnh cắt dọc (cutting slot) sắc bén ở đầu dẫn. Khi lắp đặt, rãnh này hoạt động như một mũi taro tự cắt ren vào vật liệu nền. Cấu trúc rãnh tạo ra độ đàn hồi nhẹ hướng vào trong, hình thành hiệu ứng khóa vít tự nhiên giúp chống rung động mà không cần keo.
Ứng dụng tiêu biểu:
Tối ưu cho hợp kim nhôm, đồng thau, nhựa, laminate và gỗ cứng. Dùng trong ô tô, thiết bị gia dụng và cơ khí tổng hợp.
Phương pháp lắp đặt:
Tự khoét vào lỗ khoan hoặc lỗ đúc (Dùng tool 610, 620).
Ren Lắp Tự Khoét Ensat-SI (có lỗ lục giác)
Mô tả sản phẩm:
Kế thừa tính năng tự cắt của dòng S nhưng tích hợp lỗ lục giác chìm bên trong lòng ren. Thiết kế này cho phép truyền mô-men xoắn trực tiếp, lắp đặt tốc độ cao và đơn giản hóa tool lắp đặt (chỉ cần quay chiều kim đồng hồ).
Ứng dụng tiêu biểu:
Dây chuyền lắp ráp tự động, sản xuất hàng loạt, thiết bị điện tử nơi cần thao tác nhanh. Dễ dàng tháo ra để tái chế.
Phương pháp lắp đặt:
Sử dụng đầu lục giác (Hex key).










