Ren Lắp Tự Khoét Ensat-S

Đặc tính kỹ thuật

Vật liệu

Đồng thau

,

Inox

,

Thép mạ kẽm

Ứng Dụng

Cơ khí

,

Điện tử

,

Hàng không

,

Năng lượng

,

Ô tô

Kích thước M3-M100 x 10-500mm

Từ M2 đến M30

Đặc tính

Chịu tải cao

,

Lắp đặt đơn giản

,

Tự khoét với rãnh cắt dọc

Mô tả sản phẩm:
Được thiết kế với rãnh cắt dọc (cutting slot) sắc bén ở đầu dẫn. Khi lắp đặt, rãnh này hoạt động như một mũi taro tự cắt ren vào vật liệu nền. Cấu trúc rãnh tạo ra độ đàn hồi nhẹ hướng vào trong, hình thành hiệu ứng khóa vít tự nhiên giúp chống rung động mà không cần keo.
Ứng dụng tiêu biểu:
Tối ưu cho hợp kim nhôm, đồng thau, nhựa, laminate và gỗ cứng. Dùng trong ô tô, thiết bị gia dụng và cơ khí tổng hợp.
Phương pháp lắp đặt:
Tự khoét vào lỗ khoan hoặc lỗ đúc (Dùng tool 610, 620).
DATA SHEET
vf logo

Đối Tác Tin Cậy Của Bạn

Ứng dụng: Ống ren cấy Ensat®-S với rãnh cắt là loại chốt tự taro giúp tạo ra các mối nối ren chống mài mòn, chịu rung động với khả năng chịu tải cao trong các vật liệu có độ bền cắt thấp.

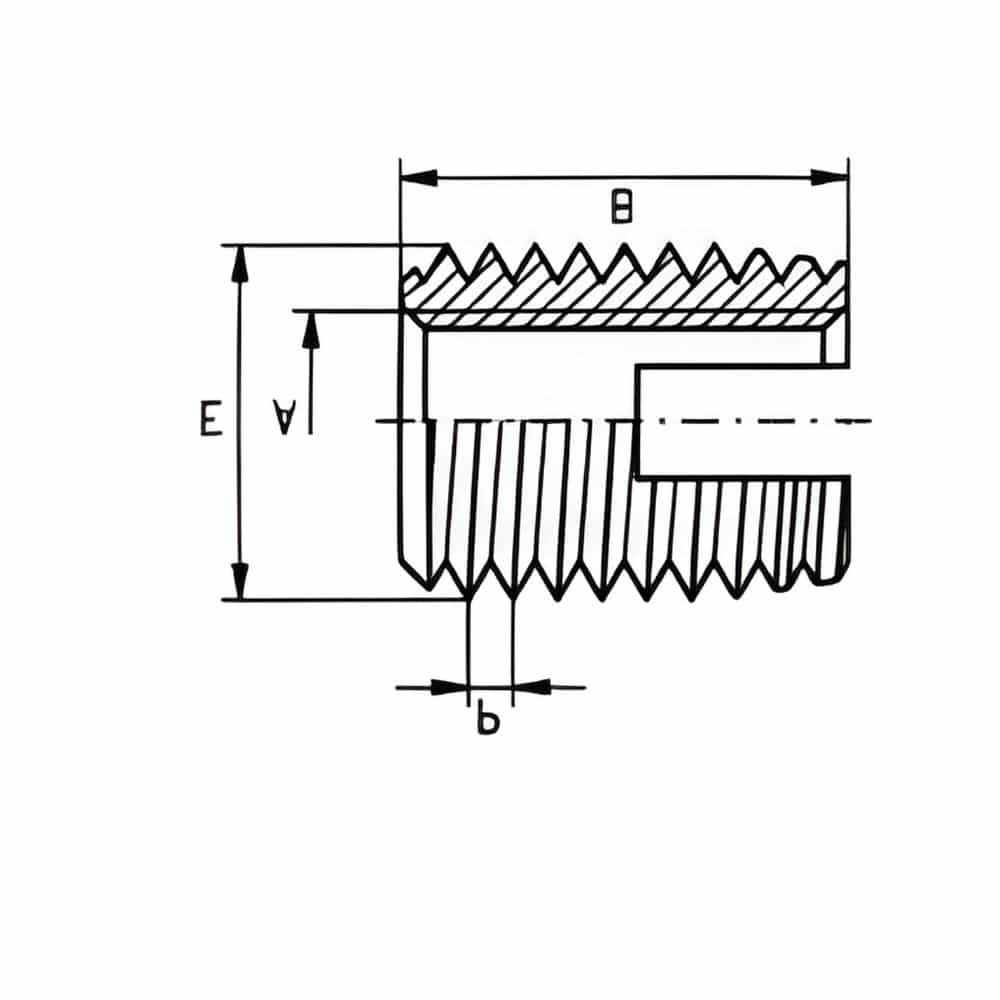
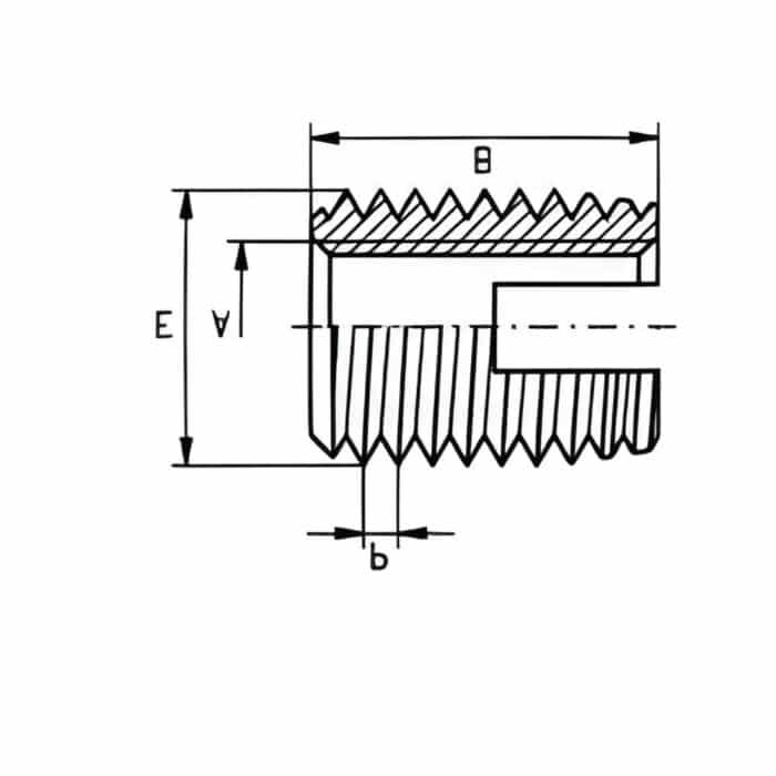
Mã sản phẩmRen trong
(A)
Ren ngoài
(E)
Bước ren
(P)
Chiều dài
(B)
ĐK lỗ khoan
(L)
Chiều sâu lỗ tịt tối thiểu (T)
302 000 020 ...M 24,50,564,2 - 4,38
302 000 025 ...M 2,54,50,564,2 - 4,38
302 000 030 ...M 350,564,7 - 4,88
302 000 035 ...M 3,560,7585,6 - 5,710
302 000 040 ...M 46,50,7586,1 - 6,210
302 000 050 ...M 581107,5 - 7,613
302 000 061 ...M 6 (a)91128,5 - 8,615
302 000 060 ...M 6101,5149,2 - 9,417
302 000 080 ...M 8121,51511,2 - 11,418
302 000 100 ...M 10141,51813,2 - 13,422
302 000 120 ...M 12161,52215,2 - 15,426
302 000 140 ...M 14181,52417,2 - 17,428
302 000 160 ...M 16201,52219,2 - 19,426
302 000 180 ...M 18221,52421,2 - 21,429
302 000 200 ...M 20261,52725,2 - 25,432
302 000 220 ...M 22261,53025,2 - 25,436
302 000 240 ...M 24301,53029,2 - 29,436
302 000 270 ...M 27341,53033,2 - 33,436
302 000 300 ...M 30361,54035,2 - 35,446

Tra cứu mã sản phẩm theo Vật liệu (3 số cuối):

  • Thép tôi thấm cacbon, mạ kẽm, thụ động xanh: ... 110
  • Thép tôi thấm cacbon, mạ kẽm, màng thụ động dày: ... 112
  • Thép tôi thấm cacbon, mạ kẽm-niken, thụ động trong suốt: ... 143
  • Thép không gỉ 1.4305: ... 500
  • Đồng thau: ... 800

Ví dụ: Ensat®-S ren M5, thép tôi mạ kẽm màng dày có mã là: 302 000 050.112

Dung sai: ISO 2768-m

Tiêu chuẩn ren: Ren trong A (ISO 6H) | Ren ngoài E (Tiêu chuẩn KKV)

HƯỚNG DẪN CHỌN SẢN PHẨM

GIẢI MÃ MÃ SẢN PHẨM

Mỗi sản phẩm Ensat® được định danh bằng một dãy số gồm 12 chữ số. Việc hiểu dãy số này giúp bạn chọn đúng chủng loại và vật liệu.

AAA . BBB . CCC . DDD

302 . 000 . 050 . 800

AAA (Dòng sản phẩm):

Xác định hình dáng và tính năng kỹ thuật của bạc ren như:

  • 302: Ensat®-S (Dòng tiêu chuẩn, có rãnh cắt).
  • 307: Ensat®-SB (Dòng ngắn, có lỗ cắt).
  • 308: Ensat®-SB (Dòng dài, có lỗ cắt).
  • 347/348: Ensat®-SBD (Dòng thành mỏng).
  • 357/358: Ensat®-SBT (Dòng đáy kín).
BBB (Biến thể):
000 cho tiêu chuẩn, 200 cho loại có lục giác trong.
CCC (Kích thước):
Xác định đường kính ren trong của sản phẩm (ví dụ 050 là M5, 060 là M6).
DDD (Vật liệu):
  • 110 là Thép mạ kẽm
  • 500 là Inox
  • 800 là Đồng thau
THÔNG TIN KỸ THUẬT

Hướng Dẫn Lắp Đặt Ensat® Trong Môi Trường Sản Xuất

Để đảm bảo độ bền liên kết và chống nới lỏng dưới tải trọng động, Ensat® phải được lắp đặt âm mặt từ 0,1 – 0,2 mm. Việc kiểm soát đường kính lỗ chờ (L), vát mép (N) và khoảng cách mép (W) dựa trên công thức thực nghiệm là điều kiện tiên quyết để tránh hư hỏng vật liệu và đảm bảo hiệu suất vận hành dài hạn.

1. Hướng Dẫn Lắp Đặt Chi Tiết

Hạng mụcChi tiết / Hướng dẫn thi công
Độ âm mặtEnsat® nên được lắp đặt âm xuống khoảng 0,1 – 0,2 mm so với bề mặt chi tiết.
Khả năng chịu tảiSau khi gia công hoàn thiện, ống ren cấy Ensat® có thể đưa vào chịu tải ngay lập tức mà không cần thời gian chờ.
Cơ chế chống lỏngNếu vật liệu chi tiết cho phép Ensat® lún xuống khi chịu tải, nó chỉ có thể di chuyển trục từ 0,1 đến 0,2 mm. Điều này giúp độ căng của liên kết vít được duy trì tối đa, ngăn chặn hiệu quả việc lỏng vít dưới tác động của tải trọng động.
Xử lý sự cốNếu gặp vấn đề khi gia công (ví dụ: mô-men xoắn khi bắt vít tăng mạnh bất thường), có thể linh hoạt chọn dữ liệu đường kính lỗ khoan ở cột cao hơn kế tiếp. Lưu ý: Nếu nghi ngờ về độ ổn định, bắt buộc phải thực hiện kiểm tra thử nghiệm trên phôi mẫu trước khi gia công hàng loạt.

2. Thông Số Lỗ Chờ

Việc vát mép 60° tại lỗ khoan là cực kỳ quan trọng để ngăn hiện tượng trồi bề mặt và hỗ trợ cắt ren ban đầu.

Hạng mụcCông thức / Hướng dẫnLưu ý
Đường kính vát mép (N)N = (0,06 - 0,08) * E + EE = Đường kính ngoài Ensat®
Khoảng cách mép (W) - Hợp kim nhẹW = 0,2 - 0,6 * ETùy thuộc vào độ đàn hồi vật liệu
Khoảng cách mép (W) - GangW = 0,3 - 0,5 * EĐặc tính vật liệu giòn cần W lớn hơn
Độ sâu lỗ mùT tối thiểu (Theo tiêu chuẩn)Tham khảo cột (T) tại Bảng thông số