Đặc tính kỹ thuật
| Vật liệu |
Đồng thau ,Inox ,Thép mạ kẽm |
|---|---|
| Ứng Dụng |
Bình áp suất ,Bồn chứa dầu ,Hệ thống thủy lực ,Ngăn rò rỉ ,Offshore. ,Tàu biển |
| Kích thước M3-M100 x 10-500mm |
M4 đến M12 |
| Đặc tính |
Chiều dài lớn ,Đáy kín ,Túi phoi |
Mô tả sản phẩm:
Bản dài của dòng đáy kín. Bảo vệ linh kiện nhạy cảm bên dưới lỗ khoan khỏi bị vít nhọn đâm vào hoặc chất lỏng rò rỉ.
Ứng dụng tiêu biểu:
Bồn chứa, hệ thống thủy lực, chống rò rỉ.
Phương pháp lắp đặt:
Tự khoét với đáy kín.
SKU:
KKV-3580
Danh mục: Ốc Cấy & Ren Giả
Thẻ: Bình áp suất, Bồn chứa dầu, Hệ thống thủy lực, Ngăn rò rỉ, Offshore., Tàu biển
DATA SHEET

Đối Tác Tin Cậy Của Bạn
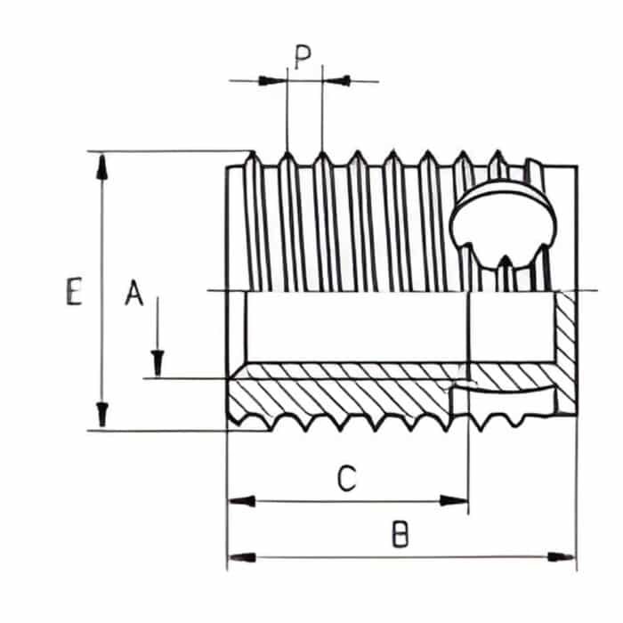
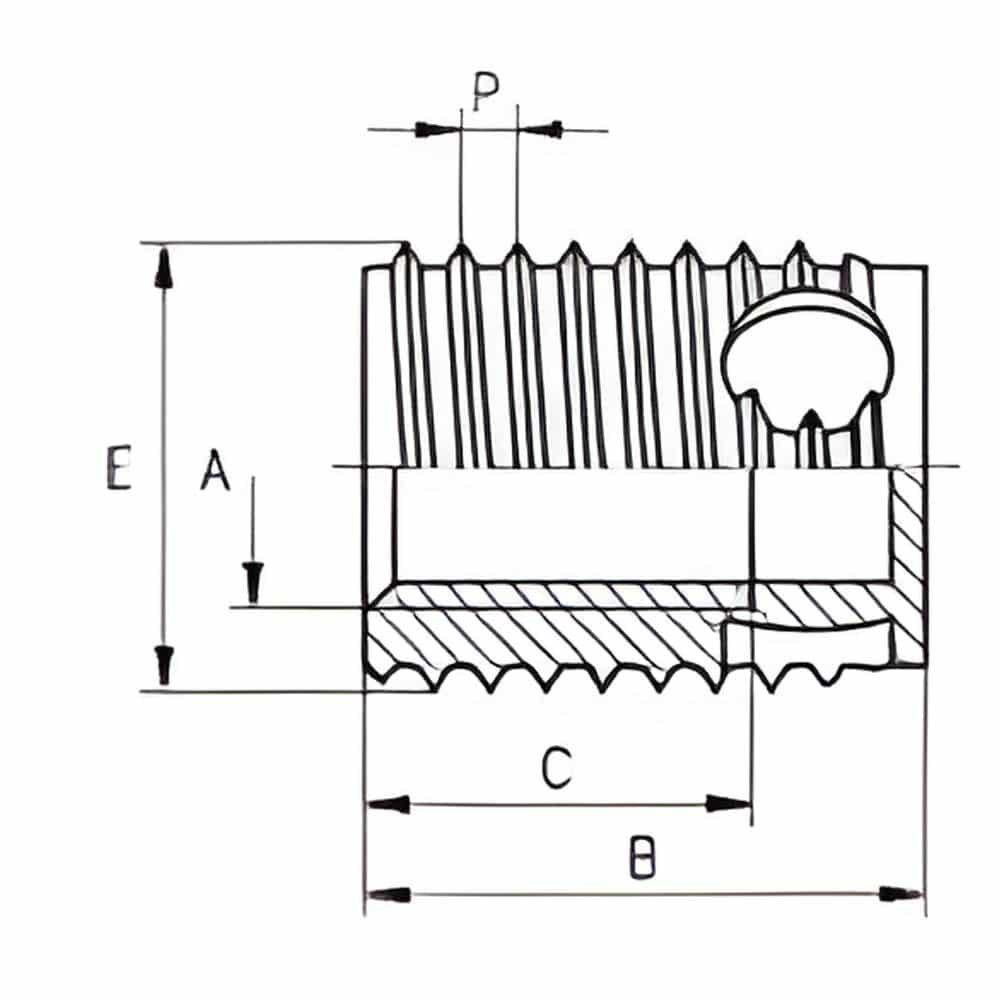
Ứng dụng & Đặc tính: Ống ren cấy Ensat®-SBT được phát triển đặc biệt cho các ứng dụng thiết bị điện tử cực kỳ nhạy cảm. Sản phẩm sử dụng 3 lỗ cắt làm buồng chứa phoi (chip reservoirs) để giữ lại phoi thô.
Tính năng Đáy kín (Closed Floor): Điểm khác biệt tối thượng của dòng SBT là thiết kế đáy kín, ngăn chặn thêm một lớp (additionally prevents) sự xâm nhập của phoi kim loại vào hệ thống ren trong.
[CẢNH BÁO KỸ THUẬT - TRÁNH CẤN ỐC]: Do thiết kế đáy kín, chiều sâu ren trong bị giới hạn chặt chẽ bởi thông số C (Chiều sâu ren tối thiểu). Kỹ sư thiết kế bắt buộc phải tính toán chiều dài bu-lông/ốc vít đi kèm sao cho không đâm thủng đáy của Ensat® khi xiết chặt. Ngoài ra, lỗ khoan thi công yêu cầu dung sai âm nghiêm ngặt (L -0,1).
| Mã sản phẩm | Ren trong (A) | Ren ngoài (E) | Bước ren (P) | Chiều dài (B) | Sâu ren Min. (C) | ĐK lỗ khoan (L -0,1) | Sâu lỗ tịt (T) |
|---|---|---|---|---|---|---|---|
| 357 000 040 ... | M 4 | 6,5 | 0,8 | 6 | 3,2 | 6,2 | 8 |
| 358 000 040 ... | M 4 | 6,5 | 0,8 | 8 | 4,5 | 6,2 | 10 |
| 357 000 050 ... | M 5 | 8 | 1 | 7 | 4 | 7,7 | 9 |
| 358 000 050 ... | M 5 | 8 | 1 | 10 | 6 | 7,7 | 13 |
| 357 000 060 ... | M 6 | 10 | 1,25 | 8 | 4,8 | 9,6 | 10 |
| 358 000 060 ... | M 6 | 10 | 1,25 | 12 | 7 | 9,6 | 15 |
| 358 000 080 ... | M 8 | 12 | 1,5 | 14 | 8,8 | 11,5 | 17 |
| 358 000 100 ... | M 10 | 14 | 1,5 | 18 | 11 | 13,5 | 22 |
| 358 000 120 ... | M 12 | 16 | 1,75 | 22 | 14 | 15,4 | 26 |
Phân loại Thiết kế (Works Standard):
- Thiết kế ngắn (Short design): Mã 357 0 ...
- Thiết kế dài (Long design): Mã 358 0 ...
- [LƯU Ý KÍCH THƯỚC] Ren từ M8 đến M12 CHỈ CÓ thiết kế dài (358).
Tra cứu mã sản phẩm theo Vật liệu (3 số cuối):
- Thép tôi, mạ kẽm, màng thụ động dày: ... 112
- Thép tôi, mạ kẽm-niken, thụ động trong suốt: ... 143
- Đồng thau (Brass): ... 800
- [LƯU Ý INOX] Inox 1.4305 (đuôi 500) chỉ áp dụng cho M4 đến M8.
- [KHÔNG CÓ] Mã 110 (Mạ kẽm thụ động xanh).
Ví dụ: Ensat®-SBT thiết kế ngắn (357 0), ren M5, thép tôi mạ kẽm màng dày có mã là: 357 000 050.112
Dung sai: ISO 2768-m
Tiêu chuẩn ren:
- Ren trong A: Theo tiêu chuẩn ISO 6H.
- Ren ngoài E: Ren đặc biệt với chân ren phẳng (flattened thread root), theo tiêu chuẩn KKV.
- Ren trong UNC, UNF, Whitworth cung cấp theo yêu cầu.
HƯỚNG DẪN CHỌN SẢN PHẨM
GIẢI MÃ MÃ SẢN PHẨM
Mỗi sản phẩm Ensat® được định danh bằng một dãy số gồm 12 chữ số. Việc hiểu dãy số này giúp bạn chọn đúng chủng loại và vật liệu.
AAA . BBB . CCC . DDD
302 . 000 . 050 . 800
AAA (Dòng sản phẩm):
Xác định hình dáng và tính năng kỹ thuật của bạc ren như:
- 302: Ensat®-S (Dòng tiêu chuẩn, có rãnh cắt).
- 307: Ensat®-SB (Dòng ngắn, có lỗ cắt).
- 308: Ensat®-SB (Dòng dài, có lỗ cắt).
- 347/348: Ensat®-SBD (Dòng thành mỏng).
- 357/358: Ensat®-SBT (Dòng đáy kín).
BBB (Biến thể):
000 cho tiêu chuẩn, 200 cho loại có lục giác trong.
CCC (Kích thước):
Xác định đường kính ren trong của sản phẩm (ví dụ 050 là M5, 060 là M6).
DDD (Vật liệu):
- 110 là Thép mạ kẽm
- 500 là Inox
- 800 là Đồng thau
THÔNG TIN KỸ THUẬT
Hướng Dẫn Lắp Đặt Ensat® Trong Môi Trường Sản Xuất
Để đảm bảo độ bền liên kết và chống nới lỏng dưới tải trọng động, Ensat® phải được lắp đặt âm mặt từ 0,1 – 0,2 mm. Việc kiểm soát đường kính lỗ chờ (L), vát mép (N) và khoảng cách mép (W) dựa trên công thức thực nghiệm là điều kiện tiên quyết để tránh hư hỏng vật liệu và đảm bảo hiệu suất vận hành dài hạn.
1. Hướng Dẫn Lắp Đặt Chi Tiết
| Hạng mục | Chi tiết / Hướng dẫn thi công |
|---|---|
| Độ âm mặt | Ensat® nên được lắp đặt âm xuống khoảng 0,1 – 0,2 mm so với bề mặt chi tiết. |
| Khả năng chịu tải | Sau khi gia công hoàn thiện, ống ren cấy Ensat® có thể đưa vào chịu tải ngay lập tức mà không cần thời gian chờ. |
| Cơ chế chống lỏng | Nếu vật liệu chi tiết cho phép Ensat® lún xuống khi chịu tải, nó chỉ có thể di chuyển trục từ 0,1 đến 0,2 mm. Điều này giúp độ căng của liên kết vít được duy trì tối đa, ngăn chặn hiệu quả việc lỏng vít dưới tác động của tải trọng động. |
| Xử lý sự cố | Nếu gặp vấn đề khi gia công (ví dụ: mô-men xoắn khi bắt vít tăng mạnh bất thường), có thể linh hoạt chọn dữ liệu đường kính lỗ khoan ở cột cao hơn kế tiếp. Lưu ý: Nếu nghi ngờ về độ ổn định, bắt buộc phải thực hiện kiểm tra thử nghiệm trên phôi mẫu trước khi gia công hàng loạt. |
2. Thông Số Lỗ Chờ
Việc vát mép 60° tại lỗ khoan là cực kỳ quan trọng để ngăn hiện tượng trồi bề mặt và hỗ trợ cắt ren ban đầu.
| Hạng mục | Công thức / Hướng dẫn | Lưu ý |
|---|---|---|
| Đường kính vát mép (N) | N = (0,06 - 0,08) * E + E | E = Đường kính ngoài Ensat® |
| Khoảng cách mép (W) - Hợp kim nhẹ | W = 0,2 - 0,6 * E | Tùy thuộc vào độ đàn hồi vật liệu |
| Khoảng cách mép (W) - Gang | W = 0,3 - 0,5 * E | Đặc tính vật liệu giòn cần W lớn hơn |
| Độ sâu lỗ mù | T tối thiểu (Theo tiêu chuẩn) | Tham khảo cột (T) tại Bảng thông số |
SẢN PHẨM TƯƠNG TỰ
Ren Lắp Tự Khoét Buồng Chứa Phoi Ensat-SBSI Ngắn (có lỗ lục giác)
Mô tả sản phẩm:
Bản thiết kế ngắn của dòng SBSI (Works Standard 337 2). Sản phẩm là giải pháp hoàn hảo cho ngành điện tử với 3 hốc chứa phoi chuyên dụng dọc thân. Khi tự taro, mạt kim loại sẽ cuộn và nằm kẹp vĩnh viễn trong các hốc này thay vì văng ra ngoài gây chập mạch. Việc tích hợp thêm lỗ lục giác chìm ở đỉnh giúp rút ngắn thời gian thi công bằng dụng cụ vặn đơn giản, đồng thời cho phép trích xuất (tháo gỡ) ren cấy dễ dàng trước khi đưa linh kiện vào tái chế.
Ứng dụng tiêu biểu:
Môi trường phòng sạch, trạm lắp ráp linh kiện điện tử, chất bán dẫn hoặc thiết bị viễn thông cần độ sạch cao và có bề dày phôi mỏng. Phù hợp cho dây chuyền yêu cầu chu kỳ thao tác cực ngắn.
Phương pháp lắp đặt:
Tự khoét, phoi tự cuộn vào buồng chứa. Thao tác thông qua lỗ lục giác chìm (sử dụng dụng cụ hoặc máy vặn tự động chuyển động xoay thuận chiều kim đồng hồ).
Ren Lắp Tự Khoét Đa Năng Ensat-SBKI Dài (có lỗ lục giác)
Mô tả sản phẩm:
Bản dài của dòng SBKI. Sản phẩm hội tụ 3 ưu điểm kỹ thuật cơ học: Đầu mũ (mặt bích) cung cấp điểm tỳ chống lực nhổ rứt cao, thân dài với 3 lỗ cắt trị được các vật liệu siêu cứng, và đặc biệt là lỗ lục giác chìm giúp rút ngắn tối đa thời gian thi công, dễ dàng trích xuất (tháo gỡ) linh kiện trước khi đưa vào quy trình tái chế nhằm tiết kiệm chi phí.
Ứng dụng tiêu biểu:
Dùng cho vật liệu dày, cứng cần mặt tiếp xúc rộng hoặc điểm đấu nối điện, đặc biệt lý tưởng cho các dây chuyền lắp ráp hàng loạt cần chu kỳ thao tác nhanh và có yêu cầu tái sử dụng/tái chế chi tiết.
Phương pháp lắp đặt:
Tự khoét thông qua lỗ lục giác chìm (sử dụng dụng cụ vặn đơn giản chỉ cần quay thuận chiều kim đồng hồ).










